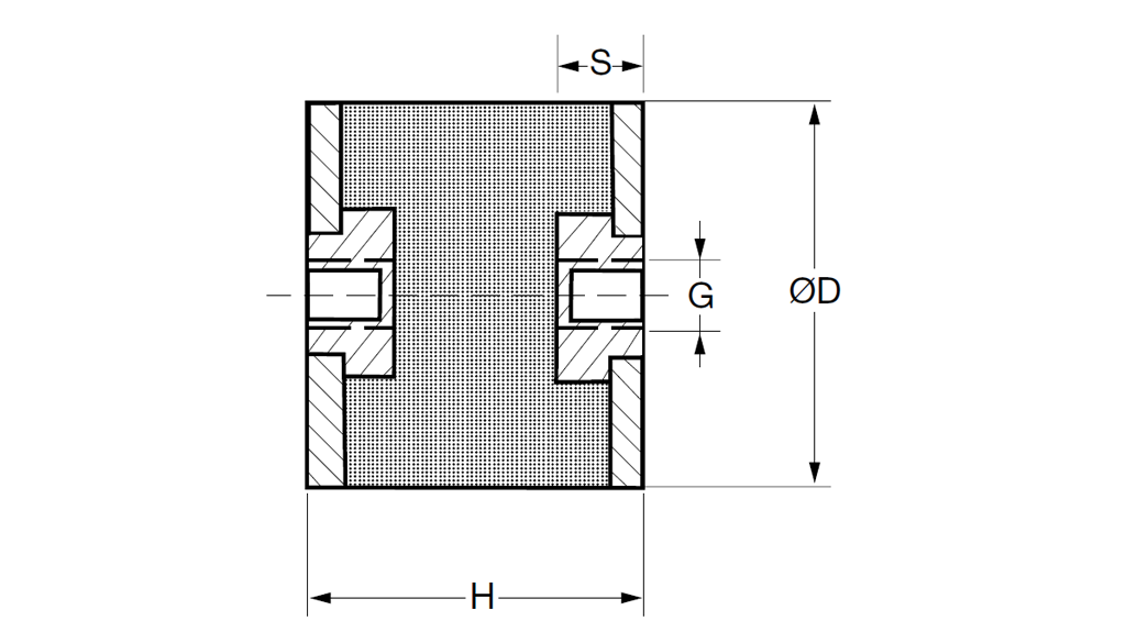
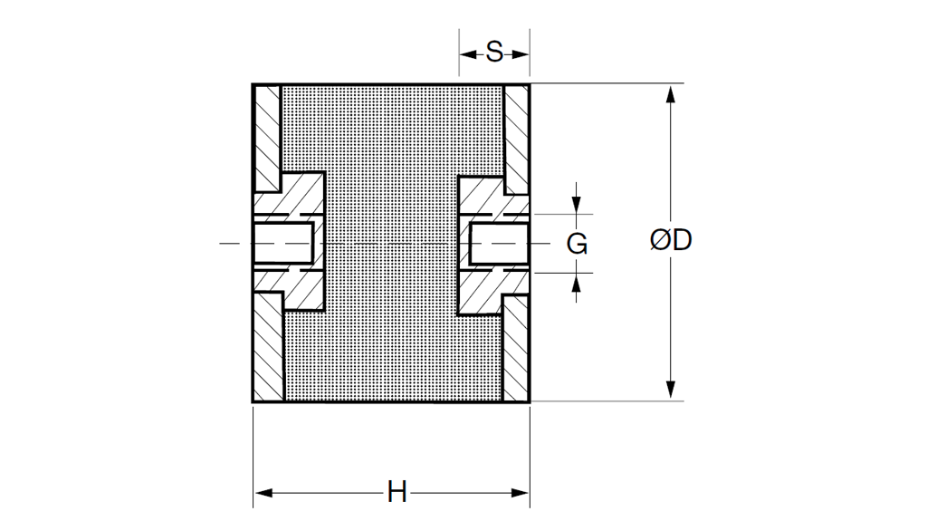
BA Double U Shear Product Range
Equally suited for isolating the vibrations from low-speed machines and equipment, the type BA and type Double U-Shear are designed to protect sensitive and lightweight units from external shock vibrations. Both mountings utilize bonded rubber in shear to permit high deflection and provide excellent isolation of low frequencies. The BA shear is a half section, suitable for very light loads



