
下载数据手册
了解更多特瑞堡缓冲器解决方案相关信息
下载
技术参数
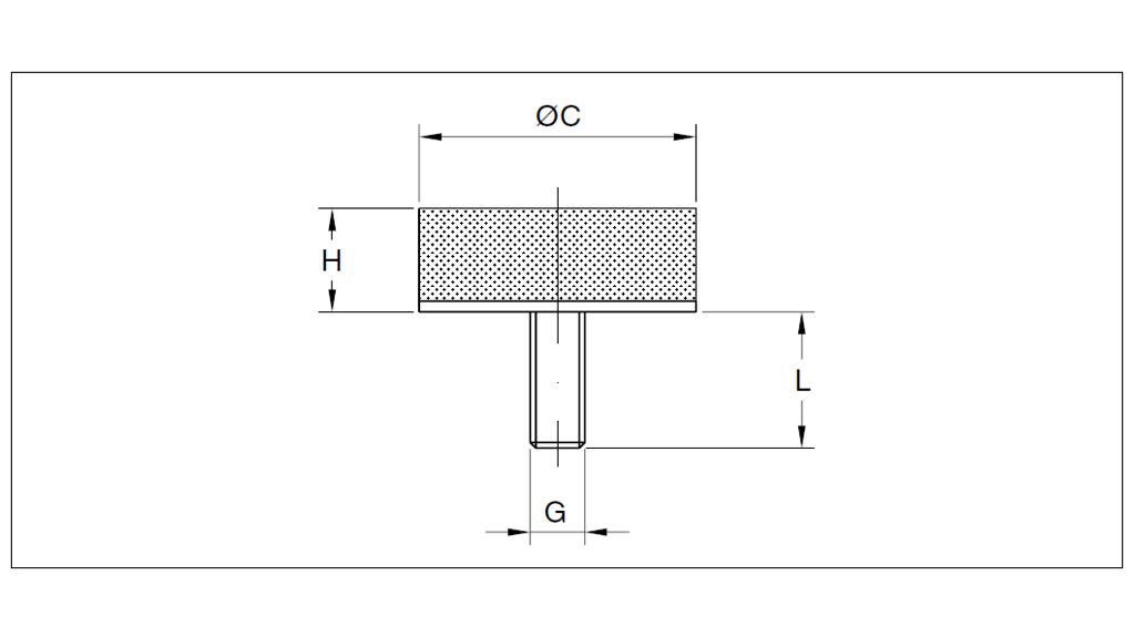
圆柱形缓冲器
| 型号 | 产品号 | 尺寸(mm) | 重量(kg) | ||||
|---|---|---|---|---|---|---|---|
| C | H | G | L | ||||
| 15-1363-60 | 10-00341-01 | 21 | 19 | M6 | 15 | 0,02 | |
| 15-3464-60 | 10-00342-01 | 32 | 21 | M8 | 20 | 0,05 | |
| 15-345960 | 10-00337-01 | 51 | 19 | M10 | 25 | 0,1 | |

缓冲系列
缓冲器可保护结构和设备免受冲击带来的影响。它们通常是用作非金属止档或与车辆悬置系统相结合,在负荷不断增加的情况下提供渐进的刚度。
圆形和矩形,易安装。减少冲击载荷的传输能帮助设计出更为经济实用的设备,同时渐进的刚度还能优化车辆的悬置性能。
包括但不限于:
起重机
搬运设备
车辆悬置系统
非公路车辆
联系我们
欲了解特瑞堡产品和解决方案,请填写以下表格并联系特瑞堡团队。
矩形缓冲器
| 型号 | 产品号 | 尺寸(mm) | 重量(kg) | |||||||
|---|---|---|---|---|---|---|---|---|---|---|
| K | A | B | H | D | d | t | ||||
| 15-0437-60 | 10-00322-01 | 121 | 105 | 48 | 56 | 86 | 8,6 | 6,3 | 0,48 | |
| 15-0238-60 | 10-00315-01 | 121 | 105 | 57 | 56 | 86 | 8,6 | 6,3 | 0,55 | |
| 15-0260-60 | 10-00317-01 | 156 | 127 | 64 | 37 | 89 | 13,5 | 6,3 | 0,57 | |
| ANB R-50 | 20-00417-01 | 84 | 68,5 | 32 | 22 | 51 | 6,7 | 3 | 0,06 | |
锥形缓冲器
| 型号 | 产品号 | 尺寸(mm) | 重量(kg) | ||||
|---|---|---|---|---|---|---|---|
| C | H | G | L | ||||
| 15-3462-60 | 10-00340-01 | 28,5 | 37 | M6 | 15 | 0,03 | |
|
15-3458-60 |
20-00686-01 |
32 |
28,5 | M8 | 20 | 0,04 | |
| 15-3461-60 | 10-00339-01 | 38 | 38 | M8 | 20 | 0,06 | |
| 15-3435-60 | 10-00994-01 | 48 | 51 | M10 | 25 | 0,12 | |
| 15-3460-60 | 10-00338-01 | 70 | 46 | M12 | 30 | 0,27 | |
| 15-3445-60 | 0-00336-01 | 108 | 95 | M12 | 30 | 0,79 | |
| 15-3443-60 | 10-00335-01 | 108 | 121 | M12 | 30 | 0,99 | |




