BA Double U Shear Product Range
Equally suited for isolating the vibrations from low-speed machines and equipment, the type BA and type Double U-Shear are designed to protect sensitive and lightweight units from external shock vibrations. Both mountings utilize bonded rubber in shear to permit high deflection and provide excellent isolation of low frequencies. The BA shear is a half section, suitable for very light loads
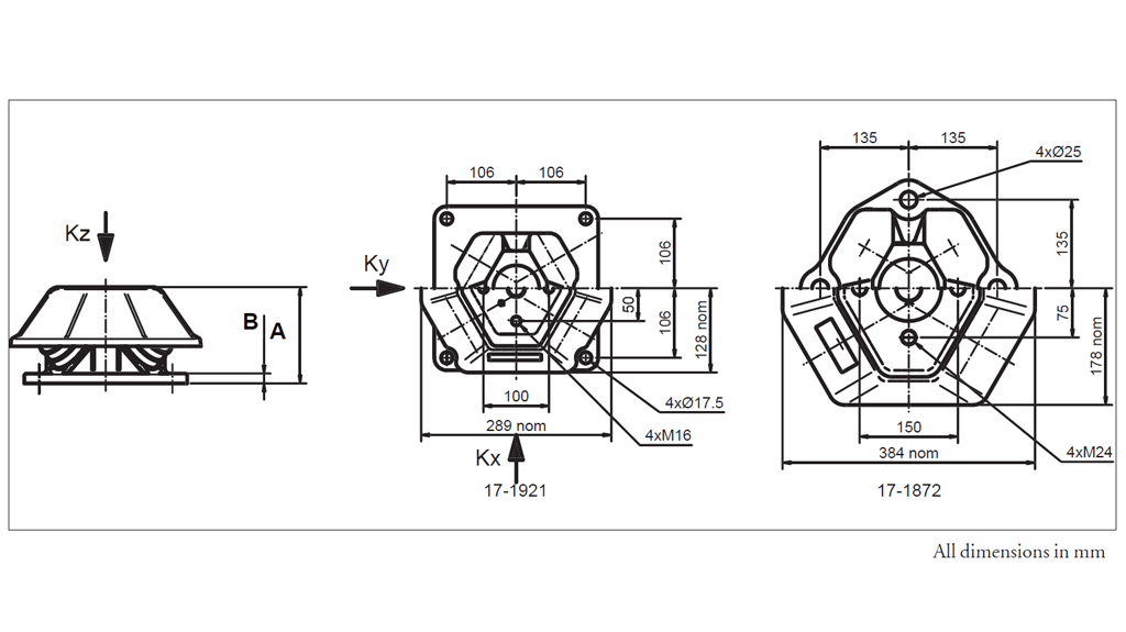
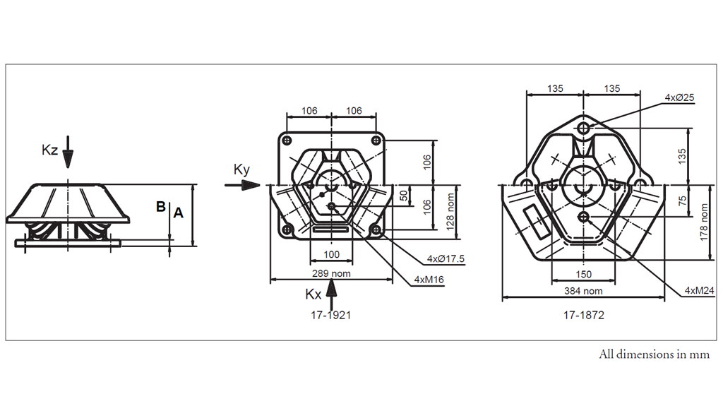
技术规格
Cushymount K(高载荷)
| 产品号 | A |
B |
重量 (kg) |
名义橡胶硬度 | 最大负载能力 | 最大负载下的变形 (mm) |
|---|---|---|---|---|---|---|
| 17-1872 | 195 | 20 | 50 | 45 | 35 | 14 |
| 55 | 55 | 14 | ||||
| 65 | 80 | 14 |
Cushymount K(中等载荷)
| 产品号 | A |
B |
重量 (kg) |
名义橡胶硬度 | 最大负载能力 | 最大负载下的变形 (mm) |
|---|---|---|---|---|---|---|
| 17-1921 | 144 | 12 | 32 | 45 | 20 | 10 |
| 55 | 38 | 10 | ||||
| 65 | 50 | 10 |
下载

下载此数据手册
了解更多特瑞堡Cushymount K解决方案相关信息

