BA Double U Shear Product Range
Equally suited for isolating the vibrations from low-speed machines and equipment, the type BA and type Double U-Shear are designed to protect sensitive and lightweight units from external shock vibrations. Both mountings utilize bonded rubber in shear to permit high deflection and provide excellent isolation of low frequencies. The BA shear is a half section, suitable for very light loads
束腰型支撑簧
| 产品号 |
17-1665 |
17-1762 | |
|---|---|---|---|
|
垂向载荷Pz |
(kN) |
120 |
160 |
| 垂向变形量dz |
(mm) |
4 | 12.5 |
| 纵向变形量dx |
(mm) |
110 | 140 |
| 尺寸X | (mm) |
387 | 395 |
| 尺寸Y |
(mm) |
220 | 368 |
| 尺寸Z |
(mm) |
215 | 268 |
| 单个质量 |
(kg) |
37.3 | 49 |
圆形支撑簧
| 产品号 |
17-1139 |
17-1526 | 17-1374 | 17-1326 | |
|---|---|---|---|---|---|
|
垂向载荷Pz |
(kN) |
54 |
100 |
100 |
180 |
| 垂向变形量 |
(mm) |
11 | 14 | 15 | 17 |
| 垂向刚度(最初) |
(kN/mm) |
4.7 | 6.3 | 6.1 | 9.5 |
| 水平变形量dx |
(mm) |
56 | 71 | 76 | 85 |
| Pz x dx |
(max) |
1350 | 2700 | 2700 | 7600 |
| 尺寸X | (mm) |
170 | 190 | 280 | 292 |
| 尺寸Y |
(mm) |
170 | 190 | 195 | 292 |
| 尺寸Z |
(mm) |
150 | 180 | 220 | 213 |
| 单个质量 | (kg) |
9 | 13.5 | 28 | 33 |
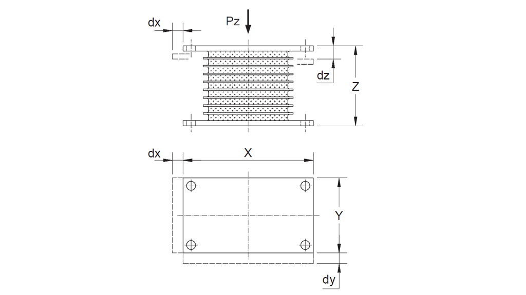
矩形支撑簧70-108mm剪切变形量
| 产品号 |
17-2079 |
17-1279 | 17-1172 | 17-1260 | |
|---|---|---|---|---|---|
|
垂向载荷Pz |
(kN) |
126 | 95 | 300 | 41 |
| 垂向变形量dz |
(mm) |
14 | 17 | 16 | 27 |
| 垂向刚度(最初) |
(kN/mm) |
8 | 5 | 17 | 1.4 |
| 纵向变形量dx |
(mm) |
70 | 83 | 83 | 108 |
| 横向变形量dy | (mm) | 45 | 52 | 50 | 81 |
| Pz x dx |
(max) |
7670 | 3940 | 12400 | 2160 |
| Pz x dy | (max) | 4900 | 2440 | 7900 | 1600 |
| Pz (dx + dy) | (max) |
6670 | 3940 | 11800 | 2160 |
| 尺寸X | (mm) |
360 | 432 | 432 | 330 |
| 尺寸Y |
(mm) |
220 | 241 | 241 | 191 |
| 尺寸Z |
(mm) |
182 | 218 | 216 | 299 |
| 单个质量 |
(kg) |
23 | 42 | 49 | 35 |
矩形支撑簧55-69mm剪切变形量
| 产品号 | 17-1633 |
17-1761 | 17-1341 | 17-2113 | 17-1853 | 17-2079 | 17-1279 | 17-1172 | 17-1260 | |
|---|---|---|---|---|---|---|---|---|---|---|
|
垂向载荷Pz |
(kN) |
275 | 240 | 350 | 73 | 90 | 126 | 95 | 300 | 41 |
| 垂向变形量 |
(mm) |
11 | 12 | 14 | 13 | 14 | 14 | 17 | 16 | 27 |
| 垂向刚度(最初) |
(kN/mm) |
25 | 20 | 25 | 6 | 6 | 8 | 5 | 17 | 1,4 |
| 纵向变形量dx |
(mm) |
54 | 61 | 65 | 66 | 69 | 70 | 83 | 83 | 108 |
| 横向变形量dy | (mm) | 42 | 50 | 46 | 48 | 56 | 45 | 52 | 50 | 81 |
| Pz x dx |
(max) |
7340 | 7320 | 11400 | 2400 | 3100 | 7670 | 3940 | 12400 | 2160 |
| Pz x dy | (max) | 4810 | 6000 | 7000 | 1600 | 2700 | 4900 | 2440 | 7900 | 1600 |
| Pz (dx + dy) | (max) |
6360 | 6930 | 9560 | 2040 | 3020 | 6670 | 3940 | 11800 | 2160 |
| 尺寸X | (mm) |
246 | 306 | 349 | 351 | 230 | 360 | 432 | 432 | 330 |
| 尺寸Y |
(mm) |
216 | 211 | 210 | 217 | 192 | 220 | 241 | 241 | 191 |
| 尺寸Z |
(mm) |
162 | 188 | 178 | 164 | 180 | 182 | 218 | 216 | 299 |
| 单个质量 |
(kg) |
23.2 | 31.8 | 31.1 | 26 | 21 | 23 | 42 | 49 | 35 |
下载

下载此数据手册
了解更多特瑞堡的支撑簧解决方案相关信息
联系我们
欲了解特瑞堡产品和解决方案,请填写以下表格并联系特瑞堡团队。



