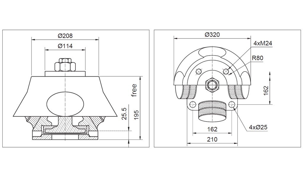
BA Double U Shear Product Range
Equally suited for isolating the vibrations from low-speed machines and equipment, the type BA and type Double U-Shear are designed to protect sensitive and lightweight units from external shock vibrations. Both mountings utilize bonded rubber in shear to permit high deflection and provide excellent isolation of low frequencies. The BA shear is a half section, suitable for very light loads
技术规格
Cushymount High Load Capacity
| 产品号 | 名义硬度 | 重量(kg) | 静态垂向刚度(kN/m) | 动态垂向刚度(kN/m) |
最大静载(kN) | |
|---|---|---|---|---|---|---|
| 17-1470 | 45 | 37 | 2450 | 2850 | 36,8 | |
| 17-1470 | 55 | 37 | 3530 | 4400 | 55 | |
| 17-1470 | 65 | 37 | 5200 | 7000 | 70,5 | |
Cushymount Medium Load Capacity
| 产品号 | 名义硬度 | 重量(kg) | 静态垂向刚度(kN/m) | 动态垂向刚度(kN/m) |
最大静载(kN) | |
|---|---|---|---|---|---|---|
| 17-1468 | 45 | 37 | 590 | 700 | 10,5 | |
| 17-1468 | 55 | 37 | 880 | 1160 | 15,7 | |
| 17-1469 | 55 | 37 | 1680 | 2060 | 27,5 | |
下载

下载此数据手册
了解更多特瑞堡Cushymount解决方案相关信息

