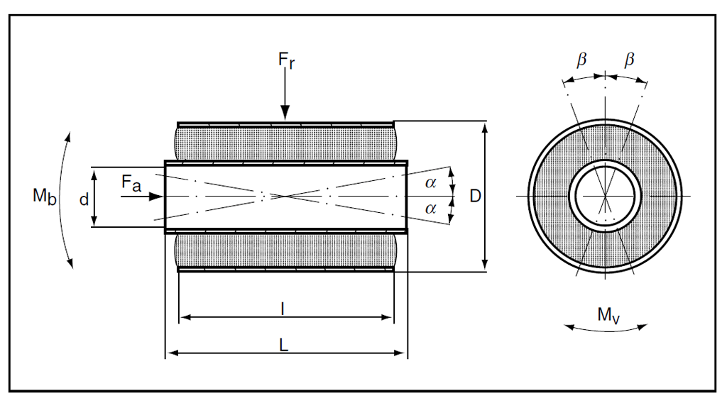
| UD衬套型号 |
产品号 | 尺寸(mm) |
扭转 | 轴向 | 径向 | 重量 (kg) |
|||||||
|---|---|---|---|---|---|---|---|---|---|---|---|---|---|
| d | D | l | L | 刚度 Nm/deg |
± β deg |
刚度 Nm/deg |
最大变形mm | 刚度 Nm/deg |
最大载荷 kN |
||||
| 13-1232-60 | 10-00250-01 | 8 | 20 | 15 | 17 | 10 | 13 | 205 | 1,3 | 2000 | 0,7 | 0,02 | |
| 13-1230-55 | 10-00249-01 | 10 | 24 | 15 | 18 | 14 | 13 | 180 | 1,7 | 1300 | 0,5 | 0,02 | |
| 13-1782-60 | 10-00277-01 | 12,7 | 38,2 | 25,4 | 31,8 | 30 | 22 | 220 | 3,3 | 1200 | 1,1 | 0,08 | |
| 13-1657-60 | 10-00271-01 | 12,7 | 38,2 | 44,5 | 50,8 | 42 | 22 | 330 | 3,3 | 2100 | 2,2 | 0,14 | |
| 13-0785-60 | 10-00215-01 | 14,3 | 30,2 | 44,5 | 50,8 | 86 | 13 | 640 | 1,9 | 11000 | 6 | 0,11 | |
| 13-0797-60 | 10-00218-01 | 15,9 | 33,4 | 60,3 | 65 | 140 | 13 | 960 | 2,1 | 18800 | 9,5 | 0,16 | |
| 13-1004-60 | 10-00235-01 | 15,9 | 47,7 | 44,5 | 50,8 | 74 | 20 | 330 | 4,2 | 2500 | 2,5 | 0,20 | |
| 13-1698-60 | 10-00276-01 | 35 | 71,2 | 41,1 | 45 | 395 | 14 | 550 | 5,1 | 3800 | 4,5 | 0,39 | |
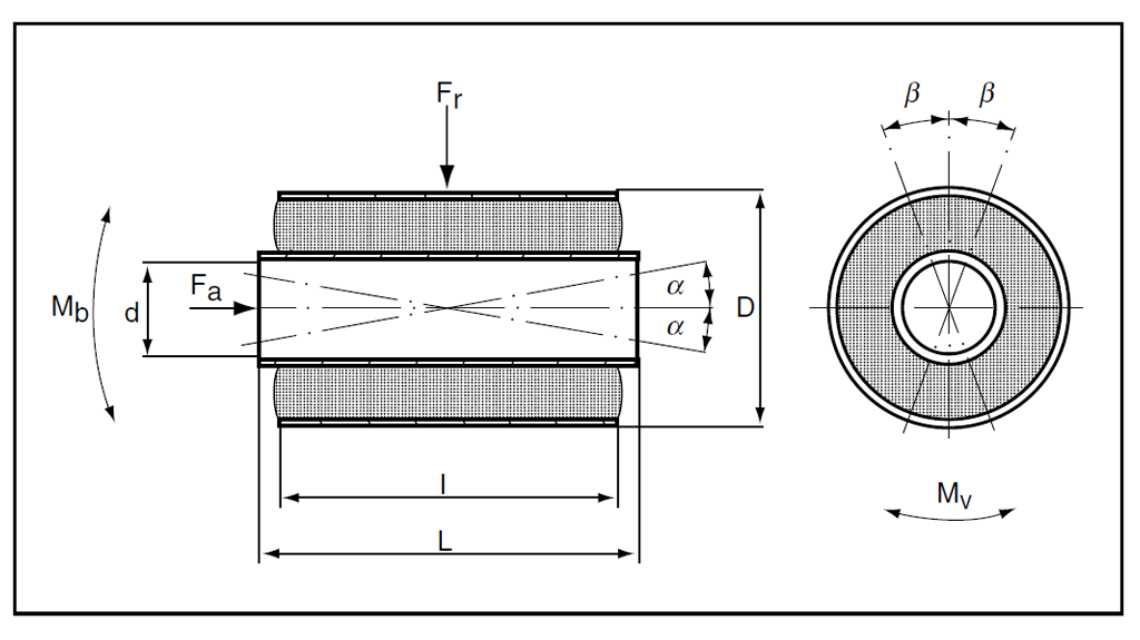
UD衬套
| 设计型号 |
产品号 60 IRH |
尺寸(mm) |
最大 Mv N/m deg |
最大扭转角β | 刚度 Nm/deg |
最大 Mb Nm | 最大摇摆度 α |
刚度 Nm/deg |
轴向载荷 | 径向载荷 | 重量(kg) | ||||||
|---|---|---|---|---|---|---|---|---|---|---|---|---|---|---|---|---|---|
| d | D | L | l | 最大 Fa N |
刚度 Nm/deg |
最大 Fr N |
Stiffness Nm/degr |
||||||||||
| VP 10/2525 | 10-00021-01 | 10 | 25 | 25 | 20 | 5,0 | 15 | 0,3 | 6,0 | 8 | 0,7 | 750 | 170 | 2300 | 2000 | 0,04 | |
| VP 10/2540 |
10-00022-01 | 10 | 25 | 40 | 35 | 6,0 | 15 | 0,4 | 38,0 | 8 | 4,8 | 1500 | 380 | 3800 | 2350 | 0,06 | |
| VP 15/3530 |
10-00023-01 | 15 | 35 | 30 | 25 | 9,0 | 15 | 0,6 | 12,0 | 8 | 1,5 | 1500 | 220 | 3500 | 3000 | 0,08 | |
| VP 15/3550 | 10-00024-01 | 15 | 35 | 50 | 45 | 15,0 | 15 | 1,0 | 120,0 | 8 | 15,0 | 2500 | 520 | 6000 | 6500 | 0,12 | |
| VP 20/4540 | 10-00025-01 | 20 | 45 | 40 | 35 | 24,0 | 15 | 1,6 | 45,0 | 8 | 5,6 | 2600 | 330 | 6800 | 4000 | 0,16 | |
| VP 20/4575 | 10-00026-01 | 20 | 45 | 75 | 70 | 48,0 | 15 | 3,2 | 365,0 | 8 | 46,0 | 5500 | 820 | 13500 | 8000 | 0,32 | |
| VP 25/5045 | 10-00027-01 | 25 | 50 | 45 | 40 | 46,0 | 14 | 3,3 | 96,0 | 8 | 12,0 | 3800 | 450 | 9000 | 4500 | 0,21 | |
| VP 25/5085 | 10-00028-01 | 25 | 50 | 85 | 80 | 69,0 | 14 | 4,9 | 730,0 | 8 | 92,0 | 7500 | 960 | 18000 | 10500 | 0,42 | |
| VP 30/6055 | 10-00029-01 | 30 | 60 | 55 | 45 | 78,0 | 14 | 5,6 | 135,0 | 8 | 17,0 | 5100 | 530 | 12000 | 5000 | 0,34 | |
| VP 35/6560 |
10-00031-01 | 35 | 65 | 60 | 50 | 93,0 | 12 | 7,7 | 180,0 | 6 | 23,0 | 6600 | 720 | 16000 | 8500 | 0,43 | |
| VP 40/7065 |
10-00033-01 | 40 | 70 | 65 | 55 | 138,0 | 12 | 11,5 | 290,0 | 7 | 41,0 | 8300 | 870 | 20500 | 17000 | 0,56 | |
| VP 45/7570 | 10-00035-01 | 45 | 75 | 70 | 60 | 240,0 | 12 | 20,0 | 320,0 | 7 | 45,0 | 10000 | 1100 | 24000 | 20000 | 0,67 | |
| VP 50/8075 |
10-00037-01 | 50 | 80 | 75 | 65 | 275,0 | 11 | 25,0 | 700 | 7 | 100,0 | 12000 | 1350 | 28500 | 30000 | 0,77 | |
技术规格
下载

下载此数据手册
了解更多特瑞堡UD衬套相关信息
联系我们
欲了解特瑞堡产品和解决方案,请填写以下表格并联系特瑞堡团队。

