BA Double U Shear Product Range
Equally suited for isolating the vibrations from low-speed machines and equipment, the type BA and type Double U-Shear are designed to protect sensitive and lightweight units from external shock vibrations. Both mountings utilize bonded rubber in shear to permit high deflection and provide excellent isolation of low frequencies. The BA shear is a half section, suitable for very light loads
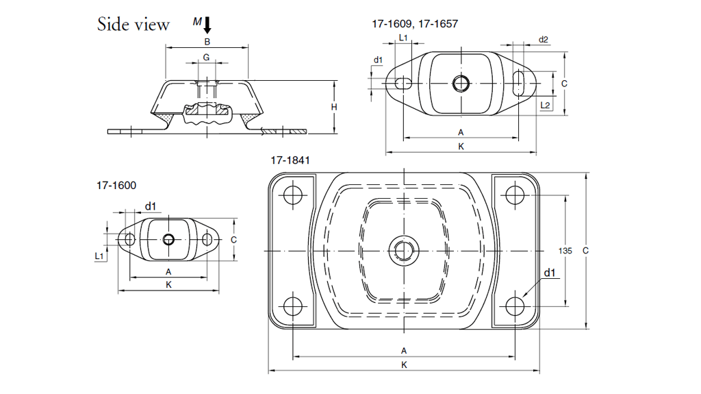
Cushyfloat(重载)
| 尺寸(mm) | 重量 | 最大载荷 |
*最大载荷 |
最大纵向推力 |
推荐扭矩 |
||||||||||||
|---|---|---|---|---|---|---|---|---|---|---|---|---|---|---|---|---|---|
| 型号 |
产品号 | B | C | A | K | H | d1 | L1 | d2 | L2 | G | kg | (kg) | (kg) | 力,F(N) |
(Nm) | |
| 17-1841-40 | 10-00605-01 | 221 | 190 | 270 | 330 | 110 | 22 | M24 | 9,6 | 950 | 630 | 5300 | 200 | ||||
| 17-1841-50 |
10-00606-01 |
221 |
190 |
270 |
330 |
110 |
22 |
M24 |
9,6 |
1400 | 945 | 7100 | 200 | ||||
| 17-1841-60 |
10-00607-01 |
221 |
190 |
270 |
330 |
110 |
22 |
M24 |
9,6 |
2200 | 1575 | 12500 | 200 | ||||
| 17-1841-70 |
10-00608-01 |
221 |
190 |
270 |
330 |
110 |
22 |
M24 |
9,6 |
3000 | 2100 | 18000 | 200 | ||||
Cushyfloat(小)
| 尺寸(mm) | 重量 | 最大载荷 |
*最大载荷 |
最大纵向推力 |
推荐扭矩 |
||||||||||||
|---|---|---|---|---|---|---|---|---|---|---|---|---|---|---|---|---|---|
| 型号 | 产品号 | B | C | A | K | H | d1 | L1 | d2 | L2 | G | kg | (kg) | (kg) | 力,F(N) |
(Nm) | |
| 17-1600-45 | 10-00535-01 | 60 | 60 | 100 | 120 | 38 | 11 | 14 | M12 | 0,3 | 50 | 35 | 370 | 25 | |||
| 17-1600-55 | 10-00536-01 | 60 | 60 | 100 | 120 | 38 | 11 | 14 | M12 | 0,3 | 65 | 55 | 560 | 25 | |||
| 17-1600-65 | 10-00537-01 | 60 | 60 | 100 | 120 | 38 | 11 | 14 | M12 | 0,3 | 100 | 80 | 830 | 25 | |||
Cushyfloat(大)
| 尺寸(mm) | 重量 |
最大载荷 | *最大载荷 |
最大纵向推力 | 推荐扭矩 |
||||||||||||
|---|---|---|---|---|---|---|---|---|---|---|---|---|---|---|---|---|---|
| 型号 |
产品号 | B | C | A | K | H | d1 | L1 | d2 | L2 | G | kg | (kg) | (kg) | 力,F(N) | (Nm) | |
| 17-1657-45 | 10-00557-01 | 80 | 112 | 182 | 230 | 70 | 18 | 26 | 18 | 34 | M20 | 2,4 | 350 |
250 |
2800 | 100 | |
| 17-1657-55 | 10-00558-01 | 80 |
112 |
182 |
230 |
70 |
18 |
26 |
18 |
34 |
M20 |
2,4 |
520 |
370 | 4200 | 100 | |
| 17-1657-65 | 10-00559-01 | 80 |
112 |
182 |
230 |
70 |
18 |
26 |
18 |
34 |
M20 |
2,4 |
800 |
560 |
6400 | 100 | |
| 17-1657-75 | 10-00560-01 | 80 |
112 |
182 |
230 |
70 |
18 |
26 |
18 |
34 |
M20 |
2,4 |
1000 |
700 |
11800 | 100 | |
Cushyfloat(中)
| 尺寸(mm) | 重量 | 最大载荷 | *最大载荷 |
最大纵向推力 | 推荐扭矩 |
||||||||||||
|---|---|---|---|---|---|---|---|---|---|---|---|---|---|---|---|---|---|
| 型号 | 产品号 | B | C | A | K | H | d1 | L1 | d2 | L2 | G | kg | (kg) | (kg) | 力,F (N) |
(Nm) | |
| 17-1609-45 | 10-00545-01 | 75 | 75 | 140 | 183 | 50 | 13 |
20 | 13 | 30 | M16 | 0,9 | 150 | 95 | 1000 | 50 | |
| 17-1609-55 | 10-00546-01 | 75 |
75 |
140 |
183 |
50 |
13 |
20 |
13 |
30 |
M16 |
0,9 |
210 | 140 | 1500 | 50 | |
| 17-1609-65 | 10-00547-01 | 75 |
75 |
140 |
183 |
50 |
13 |
20 |
13 |
30 |
M16 |
0,9 |
300 | 210 | 2300 | 50 | |
| 17-1609-75 | 10-00548-01 | 75 |
75 |
140 |
183 |
50 |
13 |
20 |
13 |
30 |
M16 |
0,9 | 450 | 315 | 3300 | 50 | |
下载
联系我们
欲了解特瑞堡产品和解决方案,请填写以下表格并联系特瑞堡团队。


