
概述
特瑞堡钥匙孔型护舷(也称为“块型和立方体型护舷”)具有传统的“钥匙孔”轮廓,是非常适于重型应用的强大产品。可根据所需的摩擦力水平来选择槽面护舷或平面护舷。
如需极低摩擦,也可将块型护舷和立方体型护舷制成具有一体式超高分子量聚乙烯表面的复合型护舷。这有助于拖船使用。
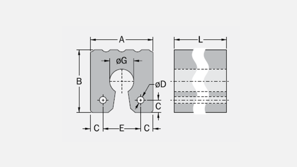
*关于尺寸信息,请参阅多功能护舷及拖轮护舷宣传册。
相关资源
重载式设计
久经考验的传统形状
槽式或光滑表面
选配超高分子量聚乙烯表面
应用
破冰
远洋拖船
浮桥防护
大型港口拖船
桥梁和桩柱防护
远洋拖船
浮桥防护
大型港口拖船
桥梁和桩柱防护





